- Detalles
- Escrito por: oscarrodfer
- Categoría: Proyectos
- Visitas: 26
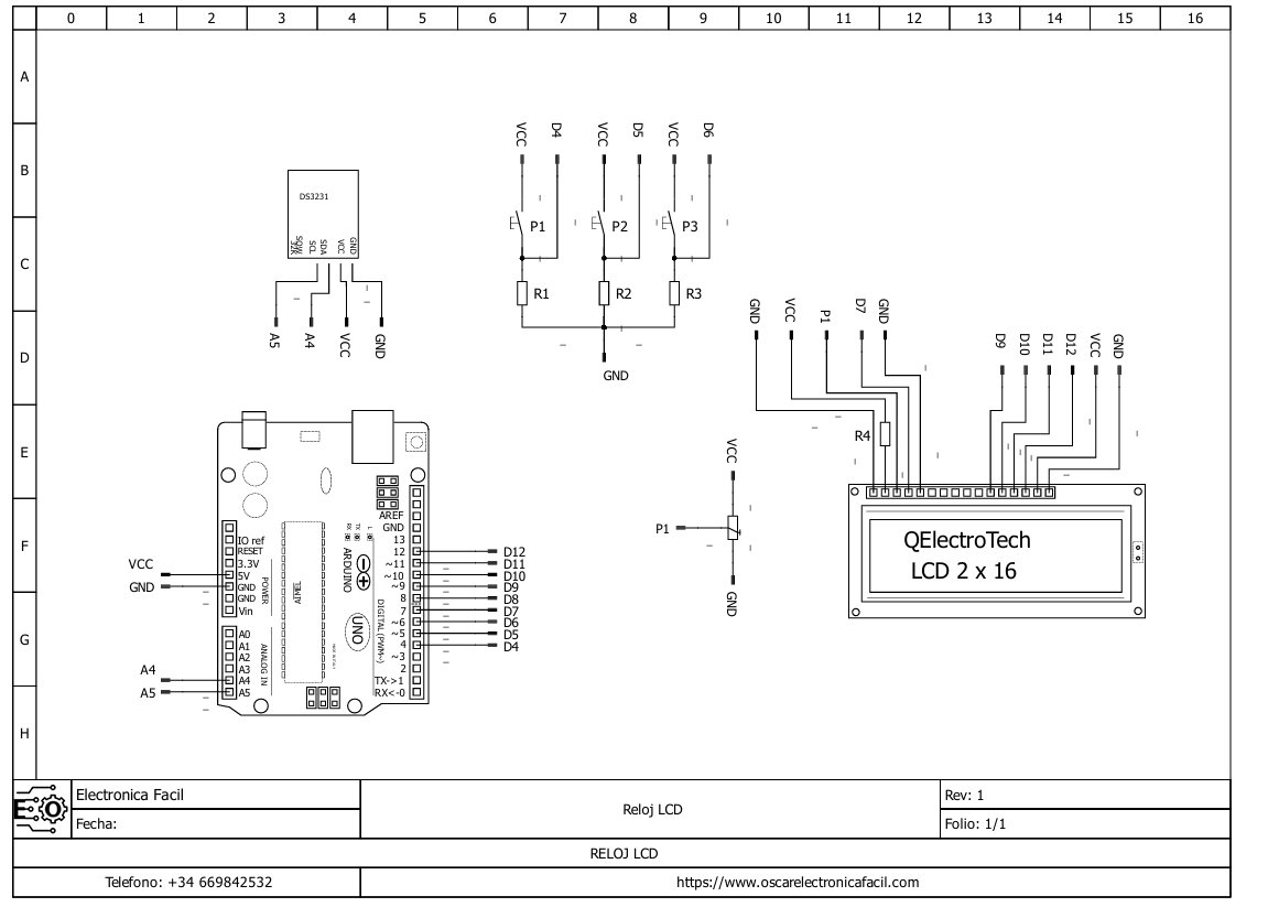
Con este proyecto podremos regular la fecha y la hora actual. Para ello, nos apoyaremos en un arduino, el modulo RTC DS3231 y una pantalla LCD.
Lista de componentes
1 x Arduino uno
1 x Pantalla LCD
1 x Potenciometro de 10K
3 x Resistencias de 10K
1 x Resistencia 220 Ohmios
3 x Pulsadores
Esquema electrico

Repositorios
- Detalles
- Escrito por: oscarrodfer
- Categoría: Proyectos
- Visitas: 26
Lista de materiales
2 x Arduino NANO/UNO
2 x NRF24
2 x interruptor de dos posiciones
2 x 3.3V voltage regulator LD1117V33
1 x 9V bateria
2 x Condensador 10uF
Modulo transmisor
En una placa de pruebas, conecta el transmisor y el Arduino con un solo potenciometro conectado al pin analogico A0. Usa este esquema de ejemplo. Asegurate de que las conexiones SPI sean las mismas que en el esquema. Tambien puedes enrollar la tierra alrededor de los cables MOSI Y MISO para reducir el ruido.

Modulo receptor
En el modulo receptor se utilizará el monitor serie del arduino a una velocidad de transmisión de 9600 baudio, para imprimir los datos recibidos del valor del potenciometro del modulo transmisor. Para ello, necesitaremos tener el modulo del receptor conectado al ordenador para poder visualizar los datos transmitidos.
